Brush Grinder Machine

Last modified by Wecon on 2025/09/03 21:04

1.Industrial Background

The PCB board grinding machine is used to remove impurities and thicknesses such as the surface coating and oxide layer of the circuit board to make the surface smooth and suitable for the production of high-precision electronic products. It is an important equipment in the circuit board production line and has the characteristics of high efficiency, high degree of automation and easy operation.

2. Production Requirements

The PCB needs to be immersed in molten solder during hot air leveling. The air knife blows the liquid solder flat before the solder solidifies, and can minimize the meniscus of the solder on the copper surface and prevent solder bridging. Hot air leveling is divided into two types: vertical type and horizontal type. Hot air leveling is divided into two types: vertical type and horizontal type. Generally, the horizontal type is better because its coating is relatively uniform, which facilitates automated production.

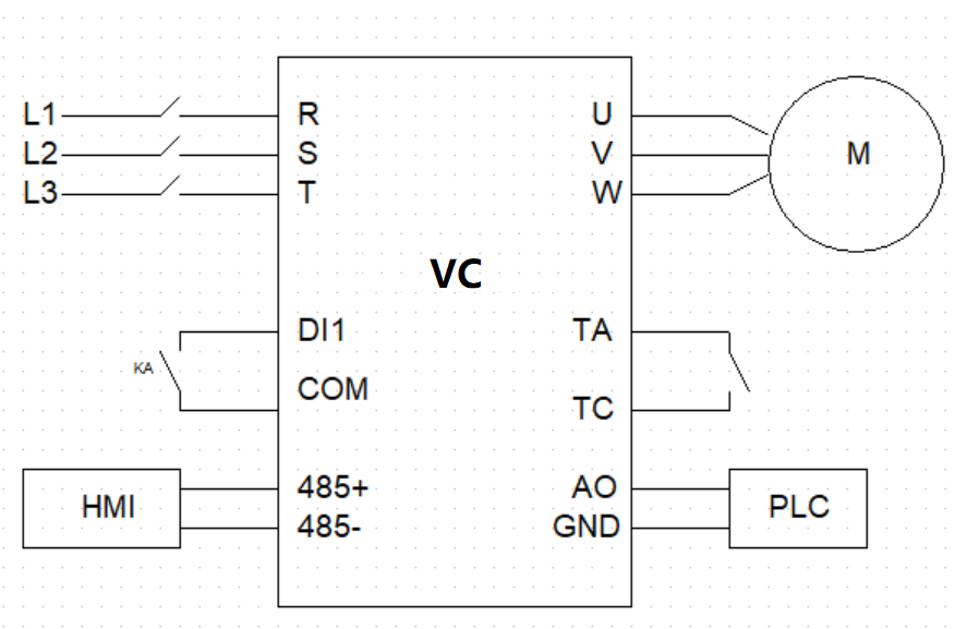
3.Wiring Diagram

Brush Grinder 25020501.png

4.Parameter Settings

ParameterDescriptionSet ValueRemarks
F0.00Motor Control Mode1V/F Mode
F0.01Start/Stop Order Source1DI Terminal
F0.03Frequency Source9RS485 Communication
F0.10Maximum Output Frequency100100Hz
F0.12Maximum Running Frequency100100Hz
F6.02Relay1 Option2Output when Alarming
F6.12AO1 Option1Output Current
FC.00Address of VFD Set According to Actual Requirement
FC.01Baud Rate59600 bps
FC.02Data Format38,N,1

5.Solution Features

  1. The speed and power of the brush grinder can be precisely controlled to keep the brush grinder in a stable operating state during the grinding process. This can not only improve grinding efficiency, but also ensure the consistency of grinding quality and avoid problems such as uneven grinding caused by unstable rotation speed.
  2. The operating parameters of the grinding machine can be adjusted according to actual needs. For example, the speed and power can be flexibly adjusted according to different grinding materials and grinding requirements to achieve the best grinding effect.
  3. It has the advantages of energy saving and consumption reduction. By accurately controlling the operating status of the motor, unnecessary energy waste can be reduced and operating costs can be reduced. It can also reduce the temperature rise of the motor, extend the service life of the motor, and improve the reliability of the entire mill.