How to create a long time timer in LX5V?
Last modified by Jett on 2026/02/11 09:17
For LX5V, we can use counter and timer to do a long time timer.

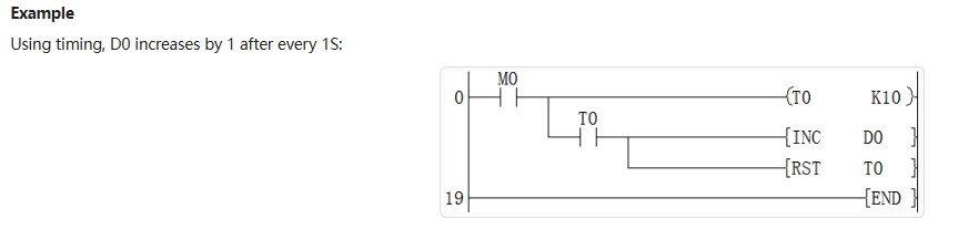
Same as the example, T0 is a 100ms timer, [OUT T0 K10] make the timer become a 1S timer.
Using timing, D0 increases by 1 after every 1S.
And use count function ,we can record the number of seconds to make further judgments about the time.
03 Arithmetic operation - XWiki

Use [OUT T0 K3600] to create a 1hour timer.
D0 increases by 1 after every 24 hour, D1 increases by 1 after every 7 Day, then Y0 become a 1 week timer.